| Disclaimer: The information on this page has not been checked by an independent person. Use this information at your own risk. |
|
Click arrows to page adverts |
|
|
These Pages include various standards. To confirm the status of any standard, identify the replacement standard if it is obsolete and/or purchase the standard please use.
BSI Shop
It is also possible to become a BSI member and obtain copies of the Standards at much reduced prices.
|

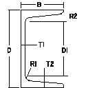
Dimensions
| M=Mass per m , D=Depth of Section, B= Width of Section, T1=Web thickness, T2=Flange Thickness, R1=Root radius, R2=Toe Rad, Area=Area of Section |
| Serial Size | M | D | B | T1 | T2 | R1 | R2 | DT | D/T | Area |
| mm | kg | mm | mm | mm | mm | mm | mm | mm | cm2 | |
| 432 x102 | 65.54 | 431.8 | 101.6 | 12.2 | 16.8 | 15.2 | 4.8 | 362.5 | 25.7 | 83.49 |
| 381 x 102 | 55.1 | 381.0 | 101.6 | 10.4 | 16.3 | 15.2 | 4.8 | 312.4 | 23.4 | 70.19 |
| 305 x 102 | 46.18 | 304.8 | 101.6 | 10.2 | 14.8 | 15.2 | 4.8 | 239.3 | 20.6 | 58.83 |
| 305 x 89 | 41.69 | 304.8 | 88.9 | 10.2 | 13.7 | 13.7 | 3.2 | 245.4 | 22.2 | 53.11 |
| 254 x 89 | 35.74 | 254.0 | 88.9 | 9.1 | 13.6 | 13.7 | 3.2 | 194.8 | 18.7 | 45.52 |
| 254 x 76 | 28.29 | 254.0 | 76.2 | 8.1 | 10.9 | 12.2 | 3.2 | 203.7 | 23.3 | 36.03 |
| 229 x 89 | 32.76 | 228.6 | 88.9 | 8.6 | 13.3 | 13.7 | 3.2 | 169.9 | 17.2 | 41.73 |
| 229 x 76 | 26.06 | 228.6 | 76.2 | 7.6 | 11.2 | 12.2 | 3.2 | 178.1 | 20.4 | 33.20 |
| 203 x 89 | 29.78 | 203.2 | 88.9 | 8.1 | 12.9 | 13.7 | 3.2 | 145.3 | 15.8 | 37.94 |
| 203 x 76 | 23.82 | 203.2 | 76.2 | 7.1 | 11.2 | 12.2 | 3.2 | 152.4 | 18.1 | 30.34 |
| 178 x 89 | 26.81 | 177.8 | 88.9 | 7.6 | 12.3 | 13.7 | 3.2 | 120.9 | 14.5 | 34.15 |
| 178 x 76 | 20.84 | 177.8 | 76.2 | 6.6 | 10.3 | 12.2 | 3.2 | 128.8 | 17.3 | 26.54 |
| 152 x 89 | 23.84 | 152.4 | 88.9 | 7.1 | 11.6 | 13.7 | 3.2 | 97.0 | 13.1 | 30.36 |
| 152 x 76 | 17.88 | 152.4 | 76.2 | 6.4 | 9.0 | 12.2 | 2.4 | 105.9 | 16.9 | 22.77 |
| 127 x 64 | 14.90 | 127.0 | 63.5 | 6.4 | 9.2 | 10.7 | 2.4 | 84.1 | 13.8 | 18.98 |
| 102 x 51 | 10.42 | 101.6 | 50.8 | 6.1 | 7.6 | 9.1 | 2.4 | 65.8 | 13.4 | 13.28 |
| 76 x 38 | 6.7 | 76.2 | 38.1 | 5.1 | 6.8 | 7.6 | 2.4 | 45.7 | 11.2 | 8.53 |
Send Comments to Roy Beardmore
Last Updated 26/07/2005