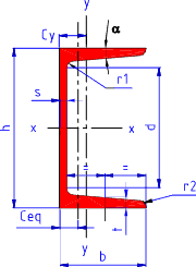
Dimensions & Properties
| Designation |
Mass
per
m |
Depth
of
Section |
Width
of
Section |
Thickness of |
Root
Radius |
Toe
Radius |
Flange
Taper |
Depth
between
fillets |
Area
of
Section |
Second Moment
Area |
Radius
of Gyration |
Section
(Elastic)
Modulus |
Plastic
Modulus |
Elastic
Neutral
Axis |
Plastic
Neutral
Axis |
| Web |
Flange |
| Axis x-x |
Axis y-y |
Axis x-x |
Axis y-y |
Axis x-x |
Axis y-y |
Axis x-x |
Axis y-y |
| M |
h |
b |
s |
t |
r1 |
r2 |
a |
d |
A |
Ix |
Iy |
rx |
ry |
Zx |
Zy |
Sx |
Sy |
Cy |
Ceq |
| kg/m |
mm |
mm |
mm |
mm |
mm |
|
degrees |
mm |
cm2 |
cm4 |
cm4 |
cm |
cm |
cm3 |
cm3 |
cm3 |
cm3 |
cm3 |
cm3 |
| 432x102x65 |
65.5 |
431.8 |
101.6 |
12.2 |
16.8 |
15.2 |
4.8 |
5 |
362.5 |
83.4 |
21373 |
627 |
16 |
2.74 |
990 |
80 |
1205 |
152 |
2.31 |
0.966 |
| 381x102x55 |
55.01 |
381 |
101.6 |
10.4 |
16.3 |
15.2 |
4.8 |
5 |
312.6 |
70.1 |
14869 |
579 |
14.6 |
2.87 |
781 |
75.7 |
931 |
144 |
2.52 |
0.92 |
| 305x102x46 |
46.21 |
304.8 |
101.6 |
10.2 |
14.8 |
15.2 |
4.8 |
5 |
239.3 |
58.9 |
8208 |
499 |
11.8 |
2.91 |
539 |
66.5 |
638 |
128 |
2.65 |
0.966 |
| 305x89x42 |
41.81 |
304.8 |
88.9 |
10.2 |
13.7 |
13.7 |
3.2 |
5 |
245.4 |
53.3 |
7078 |
326 |
11.5 |
2.48 |
464 |
48.6 |
559 |
92.6 |
2.18 |
0.874 |
| 254x89x36 |
35.66 |
254 |
88.9 |
9.1 |
13.6 |
13.7 |
3.2 |
5 |
194.7 |
45.4 |
4445 |
302 |
9.89 |
2.58 |
350 |
46.7 |
414 |
89.6 |
2.42 |
0.894 |
| 254x76x28 |
28.18 |
254 |
76.2 |
8.1 |
10.9 |
12.2 |
3.2 |
5 |
203.9 |
35.9 |
3355 |
162 |
9.67 |
2.12 |
264 |
28.1 |
316 |
53.8 |
1.85 |
0.707 |
| 229x89x33 |
32.68 |
228.6 |
88.9 |
8.6 |
13.3 |
13.7 |
3.2 |
5 |
169.9 |
41.6 |
3383 |
285 |
9.01 |
2.61 |
296 |
44.8 |
348 |
86.3 |
2.53 |
1.1 |
| 229x76x26 |
26.08 |
228.6 |
76.2 |
7.6 |
11.2 |
12.2 |
3.2 |
5 |
177.8 |
33.2 |
2615 |
159 |
8.87 |
2.19 |
229 |
28.4 |
271 |
54.5 |
2 |
0.727 |
| 203x89x30 |
29.77 |
203.2 |
88.9 |
8.1 |
12.9 |
13.7 |
3.2 |
5 |
145.2 |
37.9 |
2492 |
265 |
8.11 |
2.64 |
245 |
42.4 |
287 |
81.7 |
2.65 |
1.4 |
| 203x76x24 |
23.85 |
203.2 |
76.2 |
7.1 |
11.2 |
12.2 |
3.2 |
5 |
152.4 |
30.4 |
1955 |
152 |
8.02 |
2.24 |
192 |
27.7 |
226 |
53.5 |
2.14 |
0.892 |
| 178x89x27 |
26.79 |
177.8 |
88.9 |
7.6 |
12.3 |
13.7 |
3.2 |
5 |
121 |
34.1 |
1753 |
241 |
7.17 |
2.66 |
197 |
39.3 |
230 |
75.4 |
2.76 |
1.7 |
| 178x76x21 |
20.84 |
177.8 |
76.2 |
6.6 |
10.3 |
12.2 |
3.2 |
5 |
128.8 |
26.6 |
1338 |
134 |
7.1 |
2.25 |
151 |
24.8 |
176 |
48.1 |
2.2 |
1.09 |
| 152x89x24 |
23.87 |
152.4 |
88.9 |
7.1 |
11.6 |
13.7 |
3.2 |
5 |
96.9 |
30.4 |
1168 |
216 |
6.2 |
2.66 |
153 |
35.8 |
178 |
68.6 |
2.87 |
1.99 |
| 152x76x18 |
17.91 |
152.4 |
76.2 |
6.4 |
9 |
12.2 |
2.4 |
5 |
105.9 |
22.8 |
852 |
114 |
6.11 |
2.23 |
112 |
21 |
130 |
41.2 |
2.21 |
1.15 |
| 127x64x15 |
14.92 |
127 |
63.5 |
6.4 |
9.2 |
10.7 |
2.4 |
5 |
84 |
19 |
482 |
67.2 |
5.04 |
1.88 |
76 |
15.2 |
89.4 |
29.3 |
1.94 |
1.09 |
| 102x51x10 |
10.4 |
101.6 |
50.8 |
6.1 |
7.6 |
9.1 |
2.4 |
5 |
65.8 |
13.3 |
207 |
29.1 |
3.95 |
1.48 |
40.8 |
8.14 |
48.7 |
15.7 |
1.51 |
0.759 |
| 76x38x7 |
6.71 |
76.2 |
38.1 |
5.1 |
6.8 |
7.6 |
2.4 |
5 |
45.8 |
8.56 |
74.3 |
10.7 |
2.95 |
1.12 |
19.5 |
4.09 |
23.5 |
7.78 |
1.19 |
0.673 |
This Page is being developed
Home
Steel Section Index
Send Comments to Roy Beardmore
Last Updated 04/04/2006
|