| Disclaimer: The information on this page has not been checked by an independent person. Use this information at your own risk. |
|
Click arrows to page adverts |
|
|
These Pages include various standards. To confirm the status of any standard, identify the replacement standard if it is obsolete and/or purchase the standard please use.
BSI Shop
It is also possible to become a BSI member and obtain copies of the Standards at much reduced prices.
|

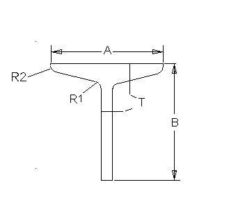
| M = Mass per m , A= Width of Section, B= Depth of Section, T = Flange/Web Thickness, R1 = Root radius, R2 = Toe Radius. Area = Area of Section, S = Slope Inside Flange |
| Serial Size | M | A | B | T | Radius | Area | |
| R1 | R2 | ||||||
| mm | kg | mm | mm | mm | mm | mm | cm2 |
| 152 x 152 | 36 | 152.4 | 152.4 | 15.9 | 12.2 | 8.6 | 45.97 |
| 152 x 152 | 29 | 152.4 | 152.4 | 12.7 | 12.2 | 8.6 | 37.23 |
| 152 x 152 | 30 | 152.4 | 101.6 | 15.9 | 10.7 | 7.4 | 37.94 |
| 152 x 102 | 24 | 152.4 | 101.6 | 12.7 | 10.7 | 7.4 | 30.78 |
| 152 x 76 | 22 | 152.4 | 76.2 | 12.7 | 9.9 | 6.9 | 27.55 |
| 152 x 76 | 16 | 152.4 | 76.2 | 9.5 | 9.9 | 6.9 | 21.02 |
| 127 x 102 | 22 | 127.0 | 101.6 | 12.7 | 9.9 | 6.9 | 27.55 |
| 127 x 102 | 16 | 127.0 | 101.6 | 9.5 | 9.9 | 6.9 | 20.96 |
| 127 x 76 | 19 | 127.0 | 76.2 | 12.7 | 9.1 | 6.4 | 24.32 |
| 127 x 76 | 15 | 127.0 | 76.2 | 9.5 | 9.1 | 6.4 | 28.58 |
| 102 x 102 | 19 | 101.6 | 101.6 | 12.7 | 9.1 | 6.4 | 24.25 |
| 102 x 102 | 15 | 101.6 | 101.6 | 9.5 | 9.1 | 6.4 | 18.51 |
| 102 x 76 | 16 | 101.6 | 76.2 | 12.7 | 8.4 | 5.8 | 21.02 |
| 102 x 76 | 13 | 101.6 | 76.2 | 9.5 | 8.4 | 5.8 | 16.13 |
| 76 x 76 | 11 | 76.2 | 76.2 | 9.5 | 7.6 | 5.3 | 13.67 |
| 64 x 64 | 9 | 63.5 | 63.5 | 9.5 | 6.9 | 4.8 | 11.22 |
| 64 x 64 | 6 | 63.5 | 63.5 | 6.4 | 6.9 | 4.8 | 7.74 |
| 51 x 51 | 5 | 50.8 | 50.8 | 6.4 | 6.1 | 4.3 | 6.06 |
| 38 x 38 | 4 | 38.1 | 38.1 | 6.4 | 5.3 | 3.8 | 4.45 |
Send Comments to Roy Beardmore
Last Updated 26/07/2005