| Disclaimer: The information on this page has not been checked by an independent person. Use this information at your own risk. |
|
Click arrows to page adverts |
|
|
These Pages include various standards. To confirm the status of any standard, identify the replacement standard if it is obsolete and/or purchase the standard please use.
BSI Shop
It is also possible to become a BSI member and obtain copies of the Standards at much reduced prices.
|

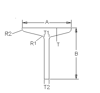
| M = Mass per m , A= Width of Section, B= Depth of Section,T= Flange Thickness, T1 = Top Web thickness, T2 = Bottom Web thickness, R1 = Root radius, R2 Toe Radius Area = Area of Section, S = Slope Inside Flange |
| Serial Size | M | A | B | Thickness | R1 | R2 | Area | ||
| T | T1 | T2 | |||||||
| mm | kg | mm | mm | mm | mm | mm | mm | mm | cm2 |
| 127 x 254 | 35.42 | 127.0 | 254.0 | 18.3 | 9.4 | 8.9 | 13.5 | 6.6 | 45.35 |
| 102 x 203 | 25.02 | 101.6 | 203.2 | 16.3 | 8.4 | 7.9 | 12.2 | 7.6 | 31.93 |
| 89 x 178 | 20.42 | 88.9 | 177.8 | 15.2 | 7.9 | 7.4 | 11.2 | 6.4 | 26.06 |
| 76 x 152 | 16.30 | 76.2 | 152.4 | 14.2 | 7.4 | 6.9 | 10.2 | 6.4 | 20.90 |
| 64 x 127 | 12.62 | 63.5 | 127.0 | 13.4 | 6.9 | 6.4 | 8.9 | 5.1 | 16.13 |
| 44 x 114 | 7.44 | 44.5 | 114.3 | 9.5 | 5.1 | 5.1 | 7.6 | 3.8 | 9.48 |
| 25 x 76 | 3.65 | 25.4 | 76.2 | 6.4 | 4.4 | 4.4 | 5.1 | 3.8 | 4.64 |
Send Comments to Roy Beardmore
Last Updated 04/04/2006