| Disclaimer: The information on this page has not been checked by an independent person. Use this information at your own risk. |
|
Click arrows to page adverts |
|
|
These Pages include various standards. To confirm the status of any standard, identify the replacement standard if it is obsolete and/or purchase the standard please use.
BSI Shop
It is also possible to become a BSI member and obtain copies of the Standards at much reduced prices.
|

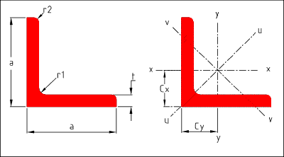
M = Mass per m , A= Depth of Section, B= Width of Section,
T = Flange Thickness, A = Area of Section, Z = Section Modulus (Elastic Modulus) = I/ymax x-x & y-y
| a x a | T | M | r1 | r2 | A | C of G | Moment Of Inertia | Radius Of Gyration | Z | ||||
| Cx, Cy | X-X, Y-Y | U-U | V-V | X-X, Y-Y | U-U | V-V | |||||||
| mm | mm | kg | mm | mm | cm2 | cm | cm4 | cm4 | cm4 | cm | cm | cm | cm3 |
| 25 x 25 | 3 | 1.11 | 3,5 | 2,4 | 1.42 | 0.72 | 0.80 | 1.26 | 0.33 | 0.75 | 0.94 | 0.48 | 0.45 |
| 4 | 1.45 | 3,5 | 2,4 | 1.85 | 0.76 | 1.01 | 1.60 | 0.43 | 0.74 | 0.93 | 0.48 | 0.58 | |
| 5 | 1.77 | 3,5 | 2,4 | 2.26 | 0.80 | 1.20 | 1.87 | 0.52 | 0.73 | 0.91 | 0.48 | 0.71 | |
| 30 x 30 | 3 | 1.36 | 5,0 | 2,4 | 1.74 | 0.84 | 1.40 | 2.23 | 0.58 | 0.90 | 1.13 | `0.58 | 0.65 |
| 4 | 1.78 | 5,0 | 2,4 | 2.27 | 0.88 | 1.80 | 2.85 | 0.75 | 0.89 | 1.12 | 0.58 | 0.85 | |
| 5 | 2.18 | 5,0 | 2,4 | 2.78 | 0.92 | 2.16 | 3.41 | 0.92 | 0.88 | 1.11 | 0.57 | 1.04 | |
| 40 x 40 | 4 | 2.42 | 6,0 | 2,4 | 3.08 | 1.12 | 4.47 | 7.09 | 1.85 | 1.21 | 1.52 | 0.78 | 1.55 |
| 5 | 2.97 | 6,0 | 2,4 | 3.79 | 1.16 | 5.43 | 8.60 | 2.26 | 1.20 | 1.51 | 0.77 | 1.91 | |
| 6 | 3.52 | 6,0 | 2,4 | 4.48 | 1.20 | 6.31 | 9.98 | 2.65 | 1.19 | 1.49 | 0.77 | 2.26 | |
| 45 x 45 | 4 | 2.74 | 7,0 | 2,4 | 3.49 | 1.23 | 6.43 | 10.2 | 2.67 | 1.36 | 1.71 | 0.87 | 1.97 |
| 5 | 3.38 | 7,0 | 2,4 | 4.30 | 1.28 | 7.84 | 12.4 | 3.25 | 1.35 | 1.70 | 0.87 | 2.43 | |
| 6 | 4.00 | 7,0 | 2,4 | 5.09 | 1.32 | 9.16 | 14.5 | 3.82 | 1.34 | 1.69 | 0.87 | 2.88 | |
| 50 x 50 | 5 | 3.77 | 7,0 | 2,4 | 4.80 | 1.40 | 11.0 | 17.4 | 4.54 | 1.51 | 1.90 | 0.97 | 3.05 |
| 6 | 4.47 | 7,0 | 2,4 | 5.69 | 1.45 | 12.8 | 20.4 | 5.33 | 1.50 | 1.89 | 0.97 | 3.61 | |
| 7 | 5.82 | 7,0 | 2,4 | 7.41 | 1.52 | 16.3 | 25.7 | 6.87 | 1.48 | 1.86 | 0.96 | 4.68 | |
| 60 x 60 | 5 | 4.57 | 8,0 | 2,4 | 5.82 | 1.64 | 19.4 | 30.7 | 8.02 | 1.82 | 2.30 | 1.17 | 4.45 |
| 6 | 5.42 | 8,0 | 2,4 | 6.91 | 1.69 | 22.8 | 36.2 | 9.43 | 1.82 | 2.29 | 1.17 | 5.29 | |
| 8 | 7.09 | 8,0 | 2,4 | 9.03 | 1.77 | 29.2 | 46.2 | 12.1 | 1.80 | 2.26 | 1.16 | 6..89 | |
| 10 | 8.69 | 8,0 | 2,4 | 11.1 | 1.85 | 34.9 | 55.1 | 14.8 | 1.78 | 2.23 | 1.16 | 8.41 | |
| 70 x 70 | 6 | 6.38 | 9,0 | 2,4 | 8.13 | 1.93 | 36.9 | 58.5 | 15.2 | 2.13 | 2.68 | 1.37 | 7.27 |
| 8 | 8.36 | 9,0 | 2,4 | 10.6 | 2.01 | 47.5 | 75.3 | 19.7 | 2.11 | 2.66 | 1.36 | 9.52 | |
| 10 | 10.3 | 9,0 | 2,4 | 13.1 | 2.09 | 57.2 | 90.5 | 23.9 | 2.09 | 2.63 | 1.35 | 11.7 | |
| 80 x 80 | 6 | 7.34 | 10,0 | 4,8 | 9.35 | 2.17 | 55.8 | 88.5 | 23.1 | 2.44 | 3.08 | 1.57 | 9.57 |
| 8 | 9.63 | 10,0 | 4,8 | 12.3 | 2.26 | 72.2 | 115 | 29.8 | 2.43 | 3.06 | 1.56 | 12.6 | |
| 10 | 11.9 | 10,0 | 4,8 | 15.1 | 2.34 | 87.5 | 139 | 36.3 | 2.41 | 3.03 | 1.55 | 15.4 | |
| 90 x 90 | 6 | 8.3 | 11,0 | 4,8 | 10.6 | 2.41 | 80.3 | 127 | 33.3 | 2.76 | 3.47 | 1.78 | 12.2 |
| 8 | 10.9 | 11,0 | 4,8 | 13.9 | 2.50 | 104 | 166 | 43.1 | 2.74 | 3.45 | 1.76 | 16.1 | |
| 10 | 13.4 | 11,0 | 4,8 | 17.1 | 2.58 | 127 | 201 | 52.6 | 2.72 | 3.42 | 1.76 | 19.8 | |
| 12 | 15.9 | 11,0 | 4,8 | 20.3 | 2.66 | 148 | 234 | 61.7 | 2.70 | 3.40 | 1.75 | 23.3 | |
| 100x100 | 8 | 12.2 | 12,0 | 4,8 | 15.5 | 2.74 | 145 | 230 | 59.8 | 3.06 | 3.85 | 1.96 | 19.9 |
| 12 | 17.8 | 12,0 | 4,8 | 22.7 | 2.90 | 207 | 328 | 85.7 | 3.02 | 3.80 | 1.94 | 29.1 | |
| 15 | 21.9 | 12,0 | 4,8 | 27.9 | 3.02 | 249 | 393 | 104 | 2.98 | 3.75 | 1.93 | 35.6 | |
| 120x120 | 8 | 14.7 | 13,0 | 4,8 | 18.7 | 3.23 | 255 | 405 | 105 | 3.69 | 4.65 | 2.37 | 29.1 |
| 10 | 18.2 | 13,0 | 4,8 | 23.2 | 3.31 | 313 | 497 | 129 | 3.67 | 4.63 | 2.36 | 36.0 | |
| 12 | 21.6 | 13,0 | 4,8 | 27.5 | 3.40 | 368 | 584 | 151 | 3.65 | 4.60 | 2.35 | 42.7 | |
| 15 | 26.6 | 13,0 | 4,8 | 33.9 | 3.51 | 445 | 705 | 185 | 3.62 | 4.56 | 2.33 | 52.4 | |
| 150x150 | 10 | 23.0 | 16,0 | 4,8 | 29.3 | 4.03 | 624 | 991 | 258 | 4.62 | 5.82 | 2.97 | 56.9 |
| 12 | 27.3 | 16,0 | 4,8 | 34.8 | 4.12 | 737 | 1170 | 303 | 4.60 | 5.80 | 2.95 | 67.7 | |
| 15 | 33.8 | 16,0 | 4,8 | 43.0 | 4.25 | 898 | 1430 | 370 | 4.57 | 5.76 | 2.93 | 83.5 | |
| 18 | 40.1 | 16,0 | 4,8 | 51.0 | 4.37 | 1050 | 1670 | 435 | 4.54 | 5.71 | 2.92 | 98.7 | |
| 200x200 | 16 | 48.5 | 18,0 | 4,8 | 61.8 | 5.52 | 2340 | 3720 | 959 | 6.16 | 7.76 | 3.94 | 162 |
| 18 | 54.2 | 18,0 | 4,8 | 69.1 | 5.60 | 2600 | 4130 | 1070 | 6.13 | 7.73 | 3.93 | 181 | |
| 20 | 59.9 | 18,0 | 4,8 | 76.3 | 5.68 | 2850 | 4530 | 1170 | 6.11 | 7.70 | 3.92 | 199 | |
| 24 | 71.1 | 18,0 | 4,8 | 90.6 | 5.84 | 3330 | 5280 | 1380 | 6.06 | 7.64 | 3.90 | 235 | |
| A x B | T | M | r1 | r2 | A | C of G | Moment Of Inertia | Radius Of Gyration | Z | ||||
| Cx, Cy | X-X, Y-Y | U-U | V-V | X-X, Y-Y | U-U | V-V | |||||||
| mm | mm | kg | mm | mm | cm2 | cm | cm4 | cm4 | cm4 | cm | cm | cm | cm3 |
Send Comments to Roy Beardmore
Last Updated 04/04/2006