| Disclaimer: The information on this page has not been checked by an independent person. Use this information at your own risk. |
Click arrows to page adverts
|
These Pages include various standards. To confirm the status of any standard, identify the replacement standard if it is obsolete and/or purchase the standard please use.
BSI Shop
It is also possible to become a BSI member and obtain copies of the Standards at much reduced prices.
|
Notes:
The screw and nut sizes are in accordance with BS 3692:1967 (ISO 272 equivalent). This standard has now been superseded by BS 3692:2001. (The data has not yet been checked against the latest revision. ). The thread form is in accordance with BS 3643:2007
All dimensions in millimetres
BS 3643 Part 1:2007..ISO metric screw threads. Principles and basic data
BS 3643 Part 2:2007..ISO metric screw threads. Specification for selected limits of size
BS 3692:2001..ISO metric precision hexagon bolts, screws and nuts. Specification


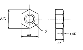
| Nominal (D) | Thread. | Bolt dia | Bolt Head | Bolt Nut | |||
| Size | Pitch | Major(d) max - min |
Minor(d3 ) max - min |
Pitch Diameter (d2 ) max - min |
Thick (Zb) | Acc/Flats (A/F) max - min |
Acc./Corn (A/C) |
| M3 | 0,5 | 2,980 - 2,874 | 2,439 -2,272 | 2,655 - 2,580 | 2,125 | 5,50 - 5,38 | 6,40 |
| M4 | 0,7 | 3,978 - 3,838 | 3,220 - 3,002 | 3,523 - 3,433 | 2,925 | 7,00 - 6,85 | 8,10 |
| M5 | 0,8 | 4,976 - 4,826 | 3,869 - 4,110 | 4,456 - 4,361 | 3,650 | 8,00 - 7,85 | 9,20 |
| M6 | 1,0 | 5,974 - 5,794 | 4,891 - 4,596 | 5,324 - 5,212 | 4,150 | 10,00 - 9,78 | 11,50 |
| M8 | 1,25 | 7,972 - 7,760 | 6,272 - 6,619 | 7,160 - 7,042 | 5,650 | 13,00 - 12,73 | 15,00 |
| M10 | 1,5 | 9,968 - 9,732 | 8,344 - 7,938 | 8,994 - 8,862 | 7,180 | 17,00 - 16,73 | 19,60 |
| M12 | 1,75 | 11,966 - 11,701 | 10,072 - 9,601 | 10,829 - 10,679 | 8,180 | 19,00 - 18,67 | 22,10 |
| M16 | 2,0 | 15,962 - 15,682 | 13,797 - 13,271 | 14,663 - 14,503 | 10,180 | 24,00 - 23,67 | 27,70 |
| M20 | 2,5 | 19,958 - 19,623 | 17,252 - 16,624 | 18,334 - 18,164 | 13,215 | 30,00 - 29,67 | 34,60 |
| M24 | 3,0 | 23,952 - 23,577 | 20,701 - 19,955 | 22,003 - 21,803 | 15,215 | 36,00 - 35,58 | 41,60 |
| M30 | 3,50 | 29,947 - 29,522 | 26,158 - 25,306 | 27,674 - 27,462 | 19,260 | 46,00 - 45,38 | 53,1 |
| M36 | 4,00 | 35,940 - 35,465 | 31,610 - 30,654 | 33,342 - 33,118 | 23,260 | 55,00 - 54,26 | 63,5 |
Nut tolerance class 6H are dimensioned in BS3692
Thread form to BS 3643


| Nominal | Thread. | Nut Diameter | Nut | |
| Size | Pitch | Major (D) | Minor (D1 ) Max - min |
Thick (Zn) |
| M3 | 0,5 | 3,000 | 2,599 - 2,459 | 2,40 |
| M4 | 0,7 | 4,000 | 3,422 - 3,242 | 3,20 |
| M5 | 0,8 | 5,000 | 4,334 - 4,134 | 4,00 |
| M6 | 1,0 | 6,000 | 5,153 - 4,917 | 5,00 |
| M8 | 1,25 | 8,000 | 6,912 - 6,647 | 6,50 |
| M10 | 1,5 | 10,000 | 8,676 - 8,376 | 8,00 |
| M12 | 1,75 | 12,000 | 10,441 - 10,106 | 10,00 |
| M16 | 2,0 | 16,000 | 14,210 - 13,835 | 13,00 |
| M20 | 2,5 | 20,000 | 17,744 - 17,294 | 16,00 |
| M24 | 3,0 | 24,000 | 21,252 - 20,752 | 19,00 |
| M30 | 3,5 | 30,000 | 26,771 - 26,211 | 24,00 |
| M36 | 4,0 | 36,00 | 32,270 - 31,670 | 29,00 |
Bolt tolerance class 6g are dimensioned in BS3692:1967

| Nominal | Thread. | Bolt dia (d) | Bolt Head | Bolt Nut | |||
| Size | Pitch | Major max - min |
Minor max - min |
Pitch Diameter max - min |
Thick (Zb) | Acc/Flats max - min (A/F) |
Acc./Corn (A/C) |
| M6 | 0,75 | 5,978 - 5,838 | 5,166 - 4,929 | 5,491 - 5,391 | 4,150 | 10,00 - 9,78 | 11,50 |
| M8 | 1,00 | 7,974 - 7,794 | 6,891 - 6,596 | 7,324 - 7,212 | 5,650 | 13,00 - 12,73 | 15,00 |
| M10 | 1,25 | 9,972 - 9,760 | 8,619 - 8,272 | 9,160 - 9,042 | 7,180 | 17,00 - 16,73 | 19,60 |
| M12 | 1,25 | 11,972 - 11,760 | 10,619 - 10,258 | 11,160 - 11,028 | 8,180 | 19,00 - 18,67 | 22,10 |
| M16 | 1,50 | 15,968 - 15,732 | 14,344 - 13,930 | 14,994 - 14,854 | 10,180 | 24,00 - 23,67 | 27,70 |
| M20 | 1,5 | 19,968 - 19,732 | 18,344 - 17,930 | 18,994 - 18,854 | 13,215 | 30,00 - 29,67 | 34,60 |
| M24 | 2,0 | 23,962 - 23,682 | 21,797 - 21,261 | 22,663 - 22,493 | 15,215 | 36,00 - 35,58 | 41,60 |
| M30 | 2,0 | 29,962 - 29,682 | 27,797 - 27,261 | 28,663 - 28,493 | 19,260 | 46,00 - 45,38 | 53,1 |
| M36 | 3,00 | 35,952 - 35,577 | 32,704 - 31,955 | 34,003 - 33,803 | 23,260 | 55,00 - 54,26 | 63,5 |
Nut tolerance class 6H are dimensioned in BS3692:1967

| Nominal | Thread. | Nut Diameter | Nut | |
| Size | Pitch | Major | Minor Max - min |
Thick (Zn) |
| M6 | 0,75 | 6,000 | 5,378 - 5,188 | 5,00 |
| M8 | 1,00 | 8,000 | 7,153 - 6,917 | 6,50 |
| M10 | 1,25 | 10,000 | 8,912 - 8,647 | 8,00 |
| M12 | 1,25 | 12,000 | 10,912 - 10,647 | 10,00 |
| M16 | 1,50 | 16,000 | 14,676 - 14,376 | 13,00 |
| M20 | 1,50 | 20,000 | 18,676 - 18,376 | 16,00 |
| M24 | 2,0 | 24,000 | 22,210 - 21,835 | 19,00 |
| M30 | 2,0 | 30,000 | 28,210 - 27,835 | 24,00 |
| M36 | 3,0 | 36,00 | 33,252 - 32,752 | 29,00 |
Bright Washers are dimensioned in BS4320: 1968
| Nominal | Washer Diameter | Washer Thickness | ||
| Size | Internal max - min |
External max - min |
Thick max - min |
Thin |
| M3 | 3,4 - 3,2 | 7,0 - 6,7 | 0,6 - 0,4 | - |
| M4 | 4,5 - 4,3 | 9,0 - 8,7 | 0,9 - 0,7 | - |
| M5 | 5,5 - 5,3 | 10,0 - 9,7 | 1,1 - 0,9 | - |
| M6 | 6,7 - 6,4 | 12,5 - 12,1 | 1,8 - 1,4 | 0,9 - 0,7 |
| M8 | 8,7 - 8,4 | 17,0 - 16,6 | 1,8 - 1,4 | 1,1 - 0,9 |
| M10 | 10,9 - 10,5 | 21,0 - 20,5 | 2,2 - 1,8 | 1,45 - 1,05 |
| M12 | 13,4 - 13,0 | 24,0 - 23,5 | 2,7 - 2,3 | 1,8 - 1,4 |
| M16 | 17,4 - 17,00 | 30,0 - 29,5 | 3,3 - 2,7 | 2,2 - 1,8 |
| M20 | 21,5 - 21,0 | 37,0 - 36,2 | 3,3 - 2,7 | 2,2 - 1,8 |
| M24 | 25,5 - 25,0 | 44,0 - 43,2 | 4,3 - 3,7 | 2,7 - 2,3 |
| M30 | 31,6 - 31,0 | 56,0 - 55,0 | 4,3 - 3,7 | 2,7 - 2,3 |
| M36 | 37,6 - 37,0 | 66,0 - 65,0 | 5,6 - 4,4 | 3,3 - 2,7 |
Black Washers are dimensioned in BS4320: 1968
| Nominal | Washer Diameter | Washer Thickness | ||
| Size | Internal max - min |
External max - min |
Thickness max - min |
|
| M5 | 5,8 - 5,5 | 10,0 - 9,2 | 1,2 - 0,8 | |
| M6 | 7,0 - 6,6 | 12,5 - 11,7 | 1,9 - 1,3 | |
| M8 | 9,4 - 9,0 | 17,0 - 16,2 | 1,9 - 1,3 | |
| M10 | 11,5 - 11,0 | 21,0 - 20,2 | 2,3 - 1,7 | |
| M12 | 14,5 - 14,0 | 24,0 - 23,2 | 2,8 - 2,2 | |
| M16 | 18,5 - 18,00 | 30,0 - 29,2 | 3,6 - 2,4 | |
| M20 | 22,6 - 22,0 | 37,0 - 35,8 | 3,6 - 2,4 | |
| M24 | 26,6 - 26,0 | 44,0 - 42,8 | 4,6 - 3,4 | |
| M30 | 33,8 - 33,0 | 56,0 - 54,5 | 4,6 - 3,4 | |
| M36 | 39,8 - 39,0 | 66,0 - 64,5 | 6,0 - 4,0 | |
| M42 | 45,8 - 45,0 | 78,0 - 76,5 | 8,2 - 5,8 | |
| M48 | 53,0 - 52,0 | 92,0 -90,0 | 9,2 - 6,8 | |
For DIN125 Plain Washers (Overall dimensions) Din 125 Washer
Useful Links
|
|
Please Send Comments to Roy Beardmore
Last Updated 18/06/2008