Disclaimer: The information on this page has not been checked by an independent person.   Use this information at your own risk.
ROYMECHX clone of ROYMECH

Click arrows to page adverts

Home
Surface Texture Index Page
Drawing Page

Surface Finish (Texture) Symbols


Relevant Standard..

BS EN ISO 1302:2002 Geometrical product specifications (GPS). Indication of surface texture in technical product documentation


General indication of surface texture on drawings

For notes on surface roughness use link Surface Roughness Notes





Requirement for machining




Direction of lay






Machining Allowance


The Symbol indicates the surface finish requirements and shows a machining allowance requirement of 3mm on all surfaces.  




Symbol for surface texture all component surfaces


The Symbol indicates that all of the component surfaces are to be machined...




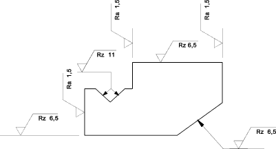
Location of Surface Texture Symbols


The shows typical locations for surface texture symbols...


Useful Links On Drawing/ Dimensioning
  1. Volvo Drawing Standards......For access to document 101-0005 on European-Standard-based drawing procedures

This Page is being developed


Home
Surface Texture Index Page
Drawing Page

Send Comments to Roy Beardmore

Last Updated 19/01/2013