Introduction
An O- ring is basically defined by its section diameter and the inner diameter of the O-Ring.
O rings have many advantageous features including
- Low Cost
- Suit static and dynamic duties
- Space efficient
- Seals in both direction
- Fluid pressure assists sealing
- Suitable for all fluids-using appropriate elastomers
|
There are two current standards for O-rings in the UK
BS 1806:1989 Specification for dimensions of toroidal sealing rings ('O'-rings) and their housings (inch series).
Section sizes according to this standard include: 0.04in(1.02mm), 0.05inch(1.27mm), 0.06inch(1.52m), 0.07inch(1.78mm), 0.103inch(2.62mm), 0.139inch(3.53mm), 0.210inch(5.33mm), , 0.275inch(6.99mm)
BS 4518:1982 Specification for metric dimensions of toroidal sealing rings ('O'-rings) and their housings
Section sizes according to this standard include: 1.6mm, 2.4mm, 3.0mm, 4.1mm, 5.7mm, 8.4mm
O-Ring Reference Number
According to BS4518 the O-Ring reference number =
O-Ring Inside dia (mm - 4 digits -1 decimal place)"-" O Ring Section (mm - 2 digits - 1 decimal place)
with the decimal point excluded.
For example 0545-30 is an O-ring of 54.5mm ID with 3.0 mm section
Surface Texture
The surface texture of the surfaces in contact with the O-ring seals should not exceed
- For Non Sealing surfaces 1.6 micrometers CLA
- For static applications 0.8 micrometers CLA
- For dynamic application 0.4 micrometers CLA
|
Notes:
Sealing surfaces are Rod, Hole, and bottom of groove.
For dynamic applications it is important not to have too good a surface finish(less than 0.2 micrometers) as a dry surface would result from the seal wiping action.
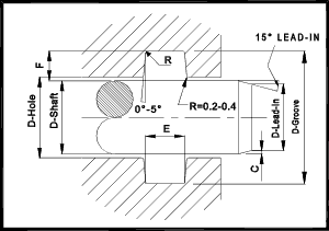
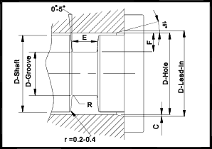
Static and Rotating Shaft Seals
 |
 |
Lead-In dia = Shaft dia (nom) - 2x C
Groove Dia max = Shaft Dia min + 2 x Fmax
Groove Dia min = Shaft Dia max + 2 x Fmin
Hole(Cyl) Dia max = Shaft Dia min + G |
Lead-In dia = Hole Dia (nom) + 2x C
Groove Dia Max = Hole dia min - 2 x Fmin
Groove Dia Min = Hole dia max - 2 x Fmax
Shaft Dia min = Hole Dia max - G |
|
BS 4518 sizes For Dynamic Pneumatic and Hydraulic Applications</>
| O-Ring Size |
2.4mm |
3.0mm |
5.7mm |
8.4mm |
| Width E |
3.2/3.4 |
4.0/4.2 |
7.5/7.7 |
11/11.2 |
Radial Depth F
Hydraulic |
1.97/2.09 |
2.5/2.65 |
4.95/5.18 |
7.5/7.75 |
Radial Depth F
Pneumatic |
2.13/2.2 |
2.7/2.77 |
5.22/5.38 |
7.75/7.96 |
| Max Clearance G |
0.14 |
0.15 |
0.18 |
0.2 |
| Lead_in C |
0.6 |
0.7 |
1.0 |
1.2 |
| Max Rad R |
0.5 |
1.0 |
1.0 |
1.0 |
BS 4518 sizes For Static Applications
| O-Ring Size |
1.6mm |
2.4mm |
3.0mm |
5.7mm |
8.4mm |
| Width E |
2.3/2.5 |
3.1/3.3 |
3.7/3.9 |
6.4/6.8 |
9.0/9.2 |
| Radial Depth F |
1.18/1.25 |
1.84/1.97 |
2.35/2.5 |
4.7/4.95 |
7.2/7.5 |
| Max Clearance G |
0.12 |
0.14 |
0.15 |
0.18 |
0.2 |
| Lead_in C |
.6 |
0.7 |
0.8 |
1.2 |
1.5 |
| Max Rad R |
0.5 |
0.5 |
1.0 |
1.0 |
1.0 |
BS 4518 Sizes for Static Face Sealing Applications
 |
 |
| - |
- |
|
BS 4518 sizes For Face Seal Static Applications
| O-Ring Size |
1.6mm |
2.4mm |
3.0mm |
5.7mm |
8.4mm |
| Depth H |
1.2/1.3 |
1.7/1.8 |
2.2/2.3 |
4.4/4.5 |
6.6/6.7 |
| Max Rad R |
0.2 |
0.5 |
1.0 |
1.0 |
1.0 |
| Max Rad T |
0.8 |
1.3 |
2.0 |
3.0 |
4.0 |
| Chamfer- M |
2.2/2.32 |
3.3/3.42 |
4.2/4.32 |
7.8/7.92 |
11.5/11.62 |
| Min.Len L |
4.0 |
5.0 |
6.0 |
10.0 |
14.0 |
O Ring Metric Sizes to BS4518
1.6mm O Ring
| 1.6mm +/- 0.08mm Dia O-ring |
| - |
Diameters |
Flange Groove Diameters |
| |
|
|
Internal Pressure |
External Pressure |
| Ref. No |
Shaft Dia |
Hole(Cyl)Dia |
Vmax |
W(H11) |
V(h11) |
Wmin |
| 0031-16 |
3.5 |
6 |
1 |
6.3 |
3.5 |
7.5 |
| 0041-16 |
4.5 |
7 |
2.3 |
7.3 |
4.5 |
8.5 |
| 0051-16 |
5.5 |
8 |
3.3 |
8.3 |
5.5 |
9.5 |
| 0061-16 |
6.5 |
9 |
4.3 |
9.3 |
6.5 |
10.5 |
| 0071-16 |
7.5 |
10 |
5.8 |
10.3 |
7.5 |
11.5 |
| 0081-16 |
8.5 |
11 |
6.8 |
11.3 |
8.5 |
12.5 |
| 0091-16 |
9.5 |
12 |
7.8 |
12.3 |
9.5 |
13.5 |
| 0101-16 |
10.5 |
13 |
8.8 |
13.3 |
10.5 |
14.5 |
| 0111-16 |
11.5 |
14 |
9.8 |
14.3 |
11.5 |
15.5 |
| 0121-16 |
12.5 |
15 |
10.8 |
15.3 |
12.5 |
16.5 |
| 0131-16 |
13.5 |
16 |
11.8 |
16.3 |
13.5 |
17.5 |
| 0141-16 |
14.5 |
17 |
12.8 |
17.3 |
14.5 |
18.5 |
| 0151-16 |
15.5 |
18 |
14 |
18.3 |
15.5 |
19.5 |
| 0161-16 |
16.5 |
19 |
15 |
19.3 |
16.5 |
20.5 |
| 0171-16 |
17.5 |
20 |
16 |
20.3 |
17.5 |
21.5 |
| 0181-16 |
18.5 |
21 |
17 |
21.3 |
18.5 |
22.5 |
| 0191-16 |
19.5 |
22 |
18 |
22.3 |
19.5 |
23.5 |
| 0221-16 |
22.5 |
25 |
21 |
25.3 |
22.5 |
26.5 |
| 0251-16 |
25.5 |
28 |
24 |
28.3 |
25.5 |
29.5 |
| 0271-16 |
27.5 |
30 |
26 |
30.3 |
27.5 |
31.5 |
| 0291-16 |
29.5 |
32 |
28 |
32.3 |
29.5 |
33.5 |
| 0321-16 |
32.5 |
35 |
31 |
35.3 |
32.5 |
36.5 |
| 0351-16 |
35.5 |
38 |
34 |
38.3 |
35.5 |
39.5 |
| 0371-16 |
37.5 |
40 |
36 |
40.3 |
37.5 |
41.5 |
2.4mm O Ring
| 2.4mm +/- 0.08mm Dia O-ring |
| - |
Diameters |
Flange Groove Diameters |
| Ref. No |
Shaft Dia |
Hole(Cyl)Dia |
Vmax |
W(H11) |
V(h11) |
Wmin |
| 0036-24 |
4 |
8 |
- |
8.4 |
4 |
10 |
| 0046-24 |
5 |
9 |
1 |
9.4 |
5 |
11 |
| 0056-24 |
6 |
10 |
2.5 |
10.4 |
6 |
12 |
| 0066-24 |
7 |
11 |
4 |
11.4 |
7 |
13 |
| 0076-24 |
8 |
12 |
5 |
12.4 |
8 |
14 |
| 0086-24 |
9 |
13 |
6.4 |
13.4 |
9 |
15 |
| 0096-24 |
10 |
14 |
7.4 |
14.4 |
10 |
16 |
| 0106-24 |
11 |
15 |
8.4 |
15.4 |
11 |
17 |
| 0116-24 |
12 |
16 |
9.5 |
16.4 |
12 |
18 |
| 0126-24 |
13 |
17 |
10.5 |
17.4 |
13 |
19 |
| 0136-24 |
14 |
18 |
11.5 |
18.4 |
14 |
20 |
| 0146-24 |
15 |
19 |
12.5 |
19.4 |
15 |
21 |
| 0156-24 |
16 |
20 |
13.5 |
20.4 |
16 |
22 |
| 0166-24 |
17 |
21 |
14.5 |
21.4 |
17 |
23 |
| 0176-24 |
18 |
22 |
15.5 |
22.4 |
18 |
24 |
| 0186-24 |
19 |
23 |
16.5 |
23.4 |
19 |
25 |
| 0196-24 |
20 |
24 |
17.5 |
24.4 |
20 |
26 |
| 0206-24 |
21 |
25 |
18.5 |
25.4 |
21 |
27 |
| 0216-24 |
22 |
26 |
19.5 |
26.4 |
22 |
28 |
| 0246-24 |
25 |
29 |
22.5 |
29.4 |
25 |
31 |
| 0276-24 |
28 |
32 |
25.5 |
32.4 |
28 |
34 |
| 0296-24 |
30 |
34 |
27.5 |
34.4 |
30 |
36 |
| 0316-24 |
32 |
36 |
29.5 |
36.4 |
32 |
38 |
| 0346-24 |
35 |
39 |
32.5 |
39.4 |
35 |
41 |
| 0356-24 |
36 |
40 |
33.5 |
40.4 |
36 |
42 |
| 0376-24 |
38 |
42 |
35.5 |
42.4 |
38 |
44 |
| 0396-24 |
40 |
44 |
37.5 |
44.4 |
40 |
46 |
| 0416-24 |
42 |
46 |
39.5 |
46.4 |
42 |
48 |
| 0446-24 |
45 |
49 |
42.5 |
49.4 |
45 |
51 |
| 0456-24 |
46 |
50 |
43.5 |
50.4 |
46 |
52 |
| 0476-24 |
48 |
52 |
45.5 |
52.4 |
48 |
54 |
| 0496-24 |
50 |
54 |
47.5 |
54.4 |
50 |
56 |
| 0516-24 |
52 |
56 |
49.5 |
56.4 |
52 |
58 |
| 0546-24 |
55 |
59 |
52.5 |
59.4 |
55 |
61 |
| 0556-24 |
56 |
60 |
53.5 |
60.4 |
56 |
62 |
| 0576-24 |
58 |
62 |
55.5 |
62.4 |
58 |
64 |
| 0586-24 |
59 |
63 |
56.5 |
63.4 |
59 |
65 |
| 0596-24 |
60 |
64 |
57.5 |
64.4 |
60 |
66 |
| 0616-24 |
62 |
66 |
59.5 |
66.4 |
62 |
68 |
| 0626-24 |
63 |
67 |
60.5 |
67.4 |
63 |
69 |
| 0646-24 |
65 |
69 |
62.5 |
69.4 |
65 |
71 |
| 0676-24 |
68 |
72 |
65.5 |
72.4 |
68 |
74 |
| 0696-24 |
70 |
74 |
67.5 |
74.4 |
70 |
76 |
3.0mm O Ring
| 3.0mm +/- 0.10mm Dia O-ring |
| - |
Diameters |
Flange Groove Diameters |
| Ref. No |
Shaft Dia |
Hole(Cyl)Dia |
Vmax |
W(H11) |
V(h11) |
Wmin |
| 0195-30 |
20 |
25 |
17 |
25 |
20 |
28 |
| 0215-30 |
22 |
27 |
19 |
27 |
22 |
30 |
| 0225-30 |
23 |
28 |
20 |
28 |
23 |
31 |
| 0245-30 |
25 |
30 |
22 |
30 |
25 |
33 |
| 0255-30 |
26 |
31 |
23 |
31 |
26 |
34 |
| 0265-30 |
27 |
32 |
24 |
32 |
27 |
35 |
| 0275-30 |
28 |
33 |
25 |
33 |
28 |
36 |
| 0295-30 |
30 |
35 |
27 |
35 |
30 |
38 |
| 0315-30 |
32 |
37 |
29 |
37 |
32 |
40 |
| 0325-30 |
33 |
38 |
30 |
38 |
33 |
41 |
| 0345-30 |
35 |
40 |
32 |
40 |
35 |
43 |
| 0355-30 |
36 |
41 |
33 |
41 |
36 |
44 |
| 0365-30 |
37 |
42 |
34 |
42 |
37 |
45 |
| 0375-30 |
38 |
43 |
35 |
43 |
38 |
46 |
| 0395-30 |
40 |
45 |
37 |
45 |
40 |
48 |
| 0415-30 |
42 |
47 |
39 |
47 |
42 |
50 |
| 0425-30 |
43 |
48 |
40 |
48 |
43 |
51 |
| 0445-30 |
45 |
50 |
42 |
50 |
45 |
53 |
| 0495-30 |
50 |
55 |
47 |
55 |
50 |
58 |
| 0545-30 |
55 |
60 |
52 |
60 |
55 |
63 |
| 0555-30 |
56 |
61 |
53 |
61 |
56 |
64 |
| 0575-30 |
58 |
63 |
55 |
63 |
58 |
66 |
| 0595-30 |
60 |
65 |
57 |
65 |
60 |
68 |
| 0625-30 |
63 |
68 |
60 |
68 |
63 |
71 |
| 0645-30 |
65 |
70 |
62 |
70 |
65 |
73 |
| 0695-30 |
70 |
75 |
67 |
75 |
70 |
78 |
| 0745-30 |
75 |
80 |
72 |
80 |
75 |
83 |
| 0795-30 |
80 |
85 |
77 |
85 |
80 |
88 |
| 0845-30 |
85 |
90 |
82 |
90 |
85 |
93 |
| 0895-30 |
90 |
95 |
87 |
95 |
90 |
98 |
| 0945-30 |
95 |
100 |
92 |
100 |
95 |
103 |
| 0995-30 |
100 |
105 |
97 |
105 |
100 |
108 |
| 1045-30 |
105 |
110 |
102 |
110 |
105 |
113 |
| 1095-30 |
110 |
115 |
107 |
115 |
110 |
118 |
| 1145-30 |
115 |
120 |
112 |
120 |
115 |
123 |
| 1195-30 |
120 |
125 |
117 |
125 |
120 |
128 |
| 1245-30 |
125 |
130 |
122 |
130 |
125 |
133 |
| 1295-30 |
130 |
135 |
127 |
135 |
130 |
138 |
| 1345-30 |
135 |
140 |
132 |
140 |
135 |
143 |
| 1395-30 |
140 |
145 |
137 |
145 |
140 |
148 |
| 1445-30 |
145 |
150 |
142 |
150 |
145 |
153 |
| 1495-30 |
150 |
155 |
147 |
155 |
150 |
158 |
| 1545-30 |
155 |
160 |
152 |
160 |
155 |
163 |
| 1595-30 |
160 |
165 |
157 |
165 |
160 |
168 |
| 1645-30 |
165 |
170 |
162 |
170 |
165 |
173 |
| 1695-30 |
170 |
175 |
167 |
175 |
170 |
178 |
| 1745-30 |
175 |
180 |
172 |
180 |
175 |
183 |
| 1795-30 |
180 |
185 |
177 |
185 |
180 |
188 |
| 1845-30 |
185 |
190 |
182 |
190 |
185 |
193 |
| 1895-30 |
190 |
195 |
187 |
195 |
190 |
198 |
| 1945-30 |
195 |
200 |
192 |
200 |
195 |
203 |
| 1995-30 |
200 |
205 |
197 |
205 |
200 |
208 |
| 2095-30 |
210 |
215 |
207 |
215 |
210 |
218 |
| 2195-30 |
220 |
225 |
217 |
225 |
220 |
228 |
| 2295-30 |
230 |
235 |
227 |
235 |
230 |
238 |
| 2395-30 |
240 |
245 |
237 |
245 |
240 |
248 |
| 2445-30 |
245 |
250 |
242 |
250 |
245 |
253 |
| 2495-30 |
250 |
255 |
247 |
255 |
250 |
258 |
5.7mm O Ring
| 5.7mm +/- 0.12mm Dia O-ring |
| - |
Diameters |
Flange Groove Diameters |
| Ref. No |
Shaft Dia |
Hole(Cyl)Dia |
Vmax |
W(H11) |
V(h11) |
W min |
| 0443-57 |
45 |
55 |
41 |
55 |
45 |
59 |
| 0453-57 |
46 |
56 |
42 |
56 |
46 |
60 |
| 0493-57 |
50 |
60 |
46 |
60 |
50 |
64 |
| 0523-57 |
53 |
63 |
49 |
63 |
53 |
67 |
| 0543-57 |
55 |
65 |
51 |
65 |
55 |
69 |
| 0553-57 |
56 |
66 |
52 |
66 |
56 |
70 |
| 0593-57 |
60 |
70 |
56 |
70 |
60 |
74 |
| 0623-57 |
63 |
73 |
59 |
73 |
63 |
77 |
| 0643-57 |
65 |
75 |
61 |
75 |
65 |
79 |
| 0693-57 |
70 |
80 |
66 |
80 |
70 |
84 |
| 0743-57 |
75 |
85 |
71 |
85 |
75 |
89 |
| 0793-57 |
80 |
90 |
76 |
90 |
80 |
94 |
| 0843-57 |
85 |
95 |
81 |
95 |
85 |
99 |
| 0893-57 |
90 |
100 |
86 |
100 |
90 |
104 |
| 0943-57 |
95 |
105 |
91 |
105 |
95 |
109 |
| 0993-57 |
100 |
110 |
96 |
110 |
100 |
114 |
| 1043-57 |
105 |
115 |
101 |
115 |
105 |
119 |
| 1093-57 |
110 |
120 |
106 |
120 |
110 |
124 |
| 1143-57 |
115 |
125 |
111 |
125 |
115 |
129 |
| 1193-57 |
120 |
130 |
116 |
130 |
120 |
134 |
| 1243-57 |
125 |
135 |
121 |
135 |
125 |
139 |
| 1293-57 |
130 |
140 |
126 |
140 |
130 |
144 |
| 1343-57 |
135 |
145 |
131 |
145 |
135 |
149 |
| 1393-57 |
140 |
150 |
136 |
150 |
140 |
154 |
| 1443-57 |
145 |
155 |
141 |
155 |
145 |
159 |
| 1493-57 |
150 |
160 |
146 |
160 |
150 |
164 |
| 1543-57 |
155 |
165 |
151 |
165 |
155 |
169 |
| 1593-57 |
160 |
170 |
156 |
170 |
160 |
174 |
| 1643-57 |
165 |
175 |
161 |
175 |
165 |
179 |
| 1693-57 |
170 |
180 |
166 |
180 |
170 |
184 |
| 1743-57 |
175 |
185 |
171 |
185 |
175 |
189 |
| 1793-57 |
180 |
190 |
176 |
190 |
180 |
194 |
| 1843-57 |
185 |
195 |
181 |
195 |
185 |
199 |
| 1893-57 |
190 |
200 |
186 |
199 |
190 |
204 |
| 1943-57 |
195 |
205 |
191 |
204 |
195 |
209 |
| 1993-57 |
200 |
210 |
195 |
209 |
200 |
214 |
| 2093-57 |
210 |
220 |
205 |
219 |
210 |
224 |
| 2193-57 |
220 |
230 |
215 |
229 |
220 |
234 |
| 2293-57 |
230 |
240 |
225 |
239 |
230 |
244 |
| 2393-57 |
240 |
250 |
235 |
249 |
240 |
254 |
| 2493-57 |
250 |
260 |
245 |
259 |
250 |
264 |
| 2593-57 |
260 |
270 |
255 |
269 |
261 |
275 |
| 2693-57 |
270 |
280 |
265 |
279 |
271 |
285 |
| 2793-57 |
280 |
290 |
275 |
289 |
281 |
295 |
| 2893-57 |
290 |
300 |
285 |
299 |
291 |
305 |
| 2993-57 |
300 |
310 |
295 |
309 |
301 |
315 |
| 3093-57 |
310 |
320 |
305 |
319 |
311 |
325 |
| 3193-57 |
320 |
330 |
315 |
329 |
321 |
335 |
| 3393-57 |
340 |
350 |
335 |
349 |
341 |
355 |
| 3593-57 |
360 |
370 |
355 |
369 |
361 |
375 |
| 3793-57 |
380 |
390 |
375 |
389 |
381 |
395 |
| 3893-57 |
390 |
400 |
385 |
399 |
391 |
405 |
| 3993-57 |
400 |
410 |
395 |
409 |
401 |
415 |
| 4193-57 |
420 |
430 |
415 |
429 |
422 |
436 |
| 4393-57 |
440 |
450 |
435 |
449 |
442 |
456 |
| 4593-57 |
460 |
470 |
455 |
469 |
462 |
476 |
| 4793-57 |
480 |
490 |
475 |
489 |
482 |
496 |
| 4893-57 |
490 |
500 |
485 |
499 |
492 |
506 |
| 4993-57 |
500 |
510 |
495 |
509 |
502 |
516 |
8.4mm O Ring
| 8.4mm +/- 0.15mm Dia O-ring |
| - |
Diameters |
Flange Groove Diameters |
| Ref. No |
Shaft Dia |
Hole(Cyl)Dia |
Vmax |
W(H11) |
V(h11) |
W min |
| 1441-84 |
145 |
160 |
140 |
160 |
145 |
165 |
| 1491-84 |
150 |
165 |
145 |
165 |
150 |
170 |
| 1541-84 |
155 |
170 |
150 |
170 |
155 |
175 |
| 1591-84 |
160 |
175 |
155 |
175 |
160 |
180 |
| 1641-84 |
165 |
180 |
160 |
180 |
165 |
185 |
| 1691-84 |
170 |
185 |
165 |
185 |
170 |
190 |
| 1741-84 |
175 |
190 |
170 |
190 |
175 |
195 |
| 1791-84 |
180 |
195 |
175 |
195 |
180 |
200 |
| 1841-84 |
185 |
200 |
180 |
200 |
185 |
205 |
| 1891-84 |
190 |
205 |
185 |
205 |
190 |
210 |
| 1941-84 |
195 |
210 |
190 |
210 |
195 |
215 |
| 1991-84 |
200 |
215 |
195 |
215 |
200 |
220 |
| 2041-84 |
205 |
220 |
200 |
220 |
205 |
225 |
| 2091-84 |
210 |
225 |
205 |
225 |
210 |
230 |
| 2191-84 |
220 |
235 |
215 |
235 |
220 |
240 |
| 2291-84 |
230 |
245 |
225 |
245 |
230 |
250 |
| 2341-84 |
235 |
250 |
230 |
250 |
235 |
255 |
| 2391-84 |
240 |
255 |
235 |
255 |
240 |
260 |
| 2491-84 |
250 |
265 |
245 |
265 |
250 |
270 |
|