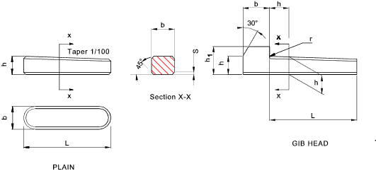
Keyway Dimensions

| Shaft |
Key |
Keyway |
Nominal Diameter
d |
Section
b x h
|
Width
Shaft & Hub
b |
Depth |
Radius
r |
| Shaft t1 |
Hub t2 |
| Over |
Inc |
Nom |
Tol (D10) |
Nom |
Tol |
Nom |
Tol |
Max |
Min |
| 6 |
8 |
2 x 2 |
2 |
+0,06 +0,02 |
1,2 |
+0,1
0 |
0,5 |
+0,1
0 |
0,16 |
0,08 |
| 8 |
10 |
3 x 3 |
3 |
1,8 |
0,9 |
0,16 |
0,08 |
| 10 |
12 |
4 x 4 |
4 |
+0,078
+0,030 |
2,5 |
1,2 |
0,16 |
0,008 |
| 12 |
17 |
5 x 5 |
5 |
3,0 |
1,7 |
0,25 |
0,16 |
| 17 |
22 |
6 x 6 |
6 |
3,5 |
2,2 |
0,25 |
0,16 |
| 22 |
30 |
8 x 7 |
8 |
+0,098
+0,040 |
4,0 |
+0,2
0 |
2,4 |
+0,2
0 |
0,25 |
0,16 |
| 30 |
38 |
10 x 8 |
10 |
5,0 |
2,4 |
0,40 |
0,25 |
| 38 |
44 |
12 x 8 |
12 |
+0,12
+0,050 |
5,0 |
+0,2
0 |
2,4 |
+0,2
0 |
0,40 |
0,25 |
| 44 |
50 |
14 x 9 |
14 |
5,5 |
2,9 |
0,40 |
0,25 |
| 50 |
58 |
16 x 10 |
16 |
6,0 |
3,4 |
0,40 |
0,25 |
| 58 |
65 |
18 x 11 |
18 |
7,0 |
3,4 |
0,40 |
0,25 |
| 65 |
75 |
20 x 12 |
20 |
+0,149
+0,065 |
7,5 |
3,9 |
0,60 |
0,40 |
| 75 |
85 |
22 x 14 |
22 |
9,0 |
4,4 |
0,60 |
0,40 |
| 85 |
95 |
25 x 14 |
25 |
9,0 |
4,4 |
0,60 |
0,40 |
| 95 |
110 |
28 x 16 |
28 |
10,0 |
5,4 |
0,60 |
0,40 |
| 110 |
130 |
32 x 18 |
32 |
+0,18
+0,080 |
11,0 |
6,4 |
0,6 |
0,4 |
| 130 |
150 |
36 x 20 |
36 |
12,0 |
+0,3
0 |
7,1 |
+0,3
0 |
1,0 |
0,7 |
| 150 |
170 |
40 x 22 |
40 |
13,0 |
8,1 |
1,0 |
0,7 |
| 170 |
200 |
45 x 25 |
45 |
15,0 |
9,1 |
1,0 |
0,7 |
Key Dimensions

| Width b |
Thickness h |
Chamfer s |
Range Of Lengths L |
Gib Head h1 |
Radius r |
| Nom |
Tol(h9) |
Nom |
Tol(h9) |
Min |
Max |
From |
Inc |
| 2 |
0
-0,025 |
2 |
0
-0,025 |
0,16 |
0,25 |
6 |
20 |
|
|
| 3 |
3 |
0,16 |
0,25 |
6 |
36 |
|
|
| 4 |
0
-0,030 |
4 |
0
-0,030 |
0,16 |
0,25 |
8 |
45 |
7 |
0,25 |
| 5 |
5 |
0,25 |
0,40 |
10 |
56 |
8 |
0,25 |
| 6 |
6 |
0,25 |
0,40 |
14 |
70 |
10 |
0,25 |
| 8 |
0
-0,036 |
7 |
Tol (h11) ........ 0
-0,090 |
0,25 |
0,40 |
18 |
90 |
11 |
1,5 |
| 10 |
8 |
0,40 |
0,60 |
22 |
110 |
12 |
1,5 |
| 12 |
0
-0,043 |
8 |
0,40 |
0,60 |
28 |
140 |
12 |
1,5 |
| 14 |
9 |
0,40 |
0,60 |
36 |
160 |
14 |
1,5 |
| 16 |
10 |
0,40 |
0,60 |
45 |
180 |
16 |
1,5 |
| 18 |
11 |
0
-0,110 |
0,40 |
0,60 |
50 |
200 |
18 |
1,5 |
| 20 |
0
-0,052 |
12 |
0,60 |
0,80 |
56 |
220 |
20 |
1,5 |
| 22 |
14 |
0,60 |
0,80 |
63 |
250 |
22 |
1,5 |
| 25 |
14 |
0,60 |
0,80 |
70 |
280 |
22 |
1,5 |
| 28 |
16 |
0,60 |
0,80 |
80 |
320 |
25 |
1,5 |
| 32 |
0
-0,062 |
18 |
0,60 |
0,80 |
90 |
360 |
28 |
1,5 |
| 36 |
20 |
0
-0,130 |
1,00 |
1,20 |
100 |
400 |
32 |
1,5 |
| 40 |
22 |
1,00 |
1,20 |
- |
- |
36 |
1,5 |
| 45 |
25 |
1,00 |
1,20 |
- |
- |
40 |
1,5 |
| 50 |
28 |
1,00 |
1,20 |
- |
- |
45 |
1,5 |
| 56 |
0
-0,074 |
32 |
0
-0,160 |
1,60 |
2,00 |
- |
- |
50 |
1,5 |
| 63 |
32 |
1,60 |
2,00 |
- |
- |
50 |
1,5 |
| 70 |
36 |
1,60 |
2,00 |
- |
- |
56 |
1,5 |
| 80 |
40 |
2,50 |
3,00 |
- |
- |
63 |
1,5 |
| 90 |
0
-0,087 |
45 |
2,50 |
3,00 |
- |
- |
70 |
1,5 |
| 100 |
50 |
2,50 |
3,00 |
- |
- |
80 |
1,5 |
|