| Disclaimer: The information on this page has not been checked by an independent person. Use this information at your own risk. |
ROYMECHX clone of ROYMECH
Click arrows to page adverts
|
These Pages include various standards. To confirm the status of any standard, identify the replacement standard if it is obsolete and/or purchase the standard please use.
BSI Shop
It is also possible to become a BSI member and obtain copies of the Standards at much reduced prices.
|
Home
Keyways Index
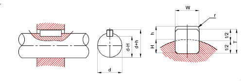
BS 46 Square Keys and keyway Dimensions
Ref. Standard ..British Standard :BS 46 Part 1 : 1958 Keys and keyways and taper pins. Specification. Keys and keyways
BS 46 Part 1 : 1958 Square Keys and keyway Dimensions
all dimensions in inches

| Shaft Diameter |
Width
Height |
|
Keyway (Shaft |
|
Keyway (Hub) |
Radius r |
| W |
H |
|
W |
h |
| Over |
To/Inc |
W & T |
|
Min |
Max |
Max |
Min |
|
Min |
Max |
Min |
Max |
|
| 1/4 |
1/2 |
1/8 |
|
0.124 |
0.125 |
0.072 |
0.078 |
|
0.125 |
0.126 |
0.060 |
0.066 |
0.010 |
| 1/2 |
3/4 |
3/16 |
|
0.187 |
0.188 |
0.107 |
0.113 |
|
0.188 |
0.189 |
0.088 |
0.094 |
0.010 |
| 3/4 |
1 |
1/4 |
|
0.249 |
0.250 |
0.142 |
0.148 |
|
0.250 |
0.251 |
0.115 |
0.121 |
0.010 |
| 1 |
1 1/4 |
5/16 |
|
0.311 |
0.312 |
0.177 |
0.183 |
|
0.312 |
0.313 |
0.142 |
0.148 |
0.010 |
| 1 1/4 |
1 1/2 |
3/8 |
|
0.374 |
0.375 |
0.213 |
0.219 |
|
0.375 |
0.376 |
0.169 |
0.175 |
0.010 |
| 1 1/2 |
1 3/4 |
7/16 |
|
0.437 |
0.438 |
0.248 |
0.254 |
|
0.438 |
0.439 |
0.197 |
0.203 |
0.020 |
| 1 3/4 |
2 |
1/2 |
|
0.499 |
0.500 |
0.283 |
0.289 |
|
0.500 |
0.501 |
0.224 |
0.230 |
0.020 |
| 2 |
2 1/2 |
5/8 |
|
0.624 |
0.625 |
0.354 |
0.36 |
|
0.625 |
0.626 |
0.278 |
0.284 |
0.020 |
| 2 1/2 |
3 |
3/4 |
|
0.749 |
0.750 |
0.424 |
0.43 |
|
0.750 |
0.751 |
0.333 |
0.339 |
0.020 |
| 3 |
3 1/2 |
7/8 |
|
0.874 |
0.875 |
0.495 |
0.501 |
|
0.875 |
0.876 |
0.387 |
0.393 |
0.062 |
| 3 1/2 |
4 |
1 |
|
0.999 |
1.000 |
0.566 |
0.572 |
|
1.000 |
1.001 |
0.442 |
0.448 |
0.062 |
| 4 |
5 |
1 1/4 |
|
1.248 |
1.250 |
0.707 |
0.713 |
|
1.250 |
1.252 |
0.551 |
0.557 |
0.062 |
| 5 |
6 |
1 1/2 |
|
1.498 |
1.500 |
0.848 |
0.854 |
|
1.500 |
1.502 |
0.661 |
0.667 |
0.062 |
|
BS 46 Part 1 : 1958 Square Key Dimensions
all dimensions in inches

| Width/ Height |
W & T |
|
Pref. Length |
| W &T |
Max |
Min |
|
From |
To |
| 1/8 |
0.127 |
0.125 |
|
3/4 |
1 |
| 3/16 |
0.190 |
0.188 |
|
3/4 |
2 |
| 1/4 |
0.252 |
0.250 |
|
3/4 |
3 |
| 5/16 |
0.314 |
0.312 |
|
3/4 |
3 |
| 3/8 |
0.377 |
0.375 |
|
1 |
4 |
| 7/16 |
0.440 |
0.438 |
|
1 1/2 |
4 |
| 1/2 |
0.502 |
0.500 |
|
2 1/2 |
5 |
| 5/8 |
0.627 |
0.625 |
|
2 1/2 |
6 |
| 3/4 |
0.752 |
0.750 |
|
3 1/2 |
6 |
| 7/8 |
0.877 |
0.875 |
|
3 1/2 |
6 |
| 1 |
1.003 |
1.000 |
|
|
|
| 1 1/4 |
1.253 |
1.250 |
|
|
|
| 1 1/2 |
1.504 |
1.500 |
|
|
|
Links Providing information on Keyways
- Hercules -Keyways dimensions ...Download of keyway dimensions
- Specifying Rectangular Keyways ...MDmetric document - useful check information for my tables
- Transeals - Keyways ...Transeals - useful check information for my tables
This Page is being developed
Home
Keyways Index
Send Comments to Roy Beardmore
Last Updated 19/01/2013