| Disclaimer: The information on this page has not been checked by an independent person. Use this information at your own risk. |
Click arrows to page adverts
![]() |
|
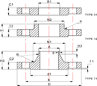
DN = Nominal size, D = Outside Diameter, A = Outside Dia of Neck , B1 = Bore of Type 01 & 12 Flange, C1 = Thickness of Plate Flange, C2 = Thickness of Weld_Neck and Boss Flange , N1 = Dia of Weld Neck , N2 = Dia of Boss ,R = corner Radius, H1 = Length of Boss Flange, H2 = Length of Weld Neck Flange, H3 = Length of Neck : S = neck thickness Note: The flange types shown are only a small part of the range covered in BS EN 1092-1.
Type A..Flat: Type C..Tongue: Type D..Groove Type E..Spigot: :Type F..Recess: Type G..O-ring Spigot: Type H.,0-ring Groove: A typical designation for a flange would be BS EN 1092-1/01B/DN150/PN25/ */S235JR Key: = Standard No/Flange Type & Face Type / Nominal Size/ Pressure Rating/*/ Material Designation. * Normally not used. For 01 type flanges above 600 mm the bore B1 would be specified here . * for type 11 and 31 the neck thickness (S) is specified here. An example designation for an flange for an 800mm pipe ... BS EN 1092-1/01B/DN800/PN25/818/S235JR This is an extremely simplified note. To obtain a comprehensive description with the various variations the standards must be used. |
Note : All Dimensions in mm
| DN | D | C1 | C2 | H1 | H2 | H3 | R | A | N1 | N2 | B1 | d1 | f1 | S |
| 10 | 90 | 14 | 14 | 20 | 35 | 6 | 4 | 17,2 | 28 | 30 | 18 | 40 | 2 | 1,8 |
| 15 | 95 | 14 | 14 | 20 | 35 | 6 | 4 | 21,3 | 32 | 35 | 22 | 45 | 2 | 2,0 |
| 20 | 105 | 14 | 14 | 24 | 38 | 6 | 4 | 26,9 | 39 | 45 | 27,5 | 58 | 2 | 2,3 |
| 25 | 115 | 16 | 16 | 24 | 38 | 6 | 4 | 33,7 | 46 | 52 | 34,5 | 68 | 2 | 2,6 |
| 32 | 140 | 18 | 16 | 26 | 40 | 6 | 6 | 42,4 | 56 | 60 | 43,5 | 78 | 2 | 2,6 |
| 40 | 150 | 18 | 16 | 26 | 42 | 7 | 6 | 48,3 | 64 | 70 | 49,5 | 88 | 2 | 2,6 |
| 50 | 165 | 20 | 20 | 34 | 48 | 8 | 6 | 60,3 | 75 | 84 | 61,5 | 102 | 2 | 2,9 |
| 65 | 185 | 22 | 22 | 38 | 52 | 10 | 6 | 76,1 | 90 | 104 | 77,5 | 122 | 2 | 2,9 |
| 80 | 200 | 24 | 24 | 40 | 58 | 12 | 8 | 88,9 | 105 | 118 | 90,5 | 138 | 2 | 3,2 |
| 100 | 235 | 26 | 24 | 44 | 65 | 12 | 8 | 114,3 | 134 | 145 | 116 | 162 | 2 | 3,6 |
| 125 | 270 | 28 | 26 | 48 | 68 | 12 | 10 | 139,7 | 162 | 170 | 141,5 | 188 | 2 | 4,2 |
| 150 | 300 | 30 | 28 | 52 | 75 | 12 | 10 | 168,3 | 192 | 200 | 170,5 | 218 | 2 | 4,5 |
| 200 | 360 | 32 | 30 | 52 | 80 | 16 | 10 | 219,1 | 244 | 256 | 221,5 | 278 | 2 | 6,3 |
| 250 | 425 | 35 | 32 | 60 | 88 | 18 | 12 | 273,0 | 298 | 310 | 276,5 | 335 | 2 | 7,1 |
| 300 | 485 | 38 | 34 | 67 | 92 | 18 | 12 | 323,9 | 352 | 364 | 327,5 | 395 | 2 | 8,0 |
| 350 | 555 | 42 | 38 | 72 | 100 | 20 | 12 | 355,6 | 398 | 418 | 359,5 | 450 | 2 | 8,0 |
| 400 | 620 | 46 | 40 | 78 | 110 | 20 | 12 | 406,4 | 452 | 472 | 411,0 | 505 | 2 | 8,8 |
| 450 | 670 | 50 | 46 | 84 | 110 | 20 | 12 | 457,0 | 500 | 520 | 462,0 | 555 | 2 | 8,8 |
| 500 | 730 | 56 | 48 | 90 | 125 | 20 | 12 | 508,0 | 558 | 580 | 513,5 | 615 | 2 | 10,0 |
| 600 | 845 | 68 | 58 | 100 | 125 | 20 | 12 | 610,0 | 660 | 684 | 616,5 | 720 | 2 | 11,0 |
| 700 | 960 | - | 46 | - | 125 | 20 | 12 | 711,0 | 760 | - | - | 820 | 2 | 12,5 |
| 800 | 1085 | - | 50 | - | 135 | 22 | 12 | 813,0 | 864 | - | - | 930 | 2 | 14,2 |
| 900 | 1185 | - | 54 | - | 145 | 24 | 12 | 914,0 | 968 | - | - | 1030 | 2 | 16,0 |
| 1000 | 1320 | - | 58 | - | 155 | 24 | 16 | 1016,0 | 1070 | - | - | 1140 | 2 | 17,5 |
| 1200 | 1530 | - | - | - | - | - | 18 | 1219,0 | - | - | - | 1350 | 2 | - |
| 1400 | 1755 | - | - | - | - | - | 18 | 1422,0 | - | - | - | 1560 | 2 | - |
| 1600 | 1975 | - | - | - | - | - | 20 | 1626,0 | - | - | - | 1780 | 2 | - |
| DN | D | C1 | C2 | H1 | H2 | H3 | R | A | N1 | N2 | B1 | d1 | f1 | S |
| K = Bolt Circle Diameter, L = Dia Of Bolt Hole, No = Number of Holes , Size = Size of Bolts |
| DN | K | L | No | Size |
| mm | mm | mm | - | mm |
| 10 | 60 | 14 | 4 | M12 |
| 15 | 65 | 14 | 4 | M12 |
| 20 | 75 | 14 | 4 | M12 |
| 25 | 85 | 14 | 4 | M12 |
| 32 | 100 | 18 | 4 | M16 |
| 40 | 110 | 18 | 4 | M16 |
| 50 | 125 | 18 | 4 | M16 |
| 65 | 145 | 18 | 8 | M16 |
| 80 | 160 | 18 | 8 | M16 |
| 100 | 190 | 22 | 8 | M20 |
| 125 | 220 | 26 | 8 | M24 |
| 150 | 250 | 26 | 8 | M24 |
| 200 | 310 | 26 | 12 | M24 |
| 250 | 370 | 30 | 12 | M27 |
| 300 | 430 | 30 | 16 | M27 |
| 350 | 490 | 33 | 16 | M30 |
| 400 | 550 | 36 | 16 | M33 |
| 450 | 600 | 36 | 20 | M33 |
| 500 | 660 | 36 | 20 | M33 |
| 600 | 770 | 39 | 20 | M36 |
| 700 | 875 | 42 | 24 | M39 |
| 800 | 990 | 48 | 24 | M45 |
| 900 | 1090 | 48 | 28 | M45 |
| 1000 | 1210 | 56 | 28 | M52 |
| 1200 | 1420 | 56 | 32 | M52 |
| 1400 | 1640 | 62 | 36 | M56 |
| 1600 | 1860 | 62 | 40 | M56 |
| DN | K | L | No | Size |
Send Comments to Roy Beardmore
Last Updated 23/01/2013