| Disclaimer: The information on this page has not been checked by an independent person. Use this information at your own risk. |
Click arrows to page adverts
![]() |
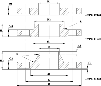
| DN = Nominal size, D = Outside Diameter, A = Outside Dia of Neck , B1 = Bore of Type 101 & 112 Flange, C1 = Thickness of Plate Flange, C2 = Thickness of Weld_Neck and Boss Flange , N1 = Dia of Weld Neck , N2 = Dia of Boss, R = corner Radius, H1 = Length of Boss Flange, H2 = Length of Weld Neck Flange, H3 = Length of Neck : Note: The flanges shown are only a small part of the range covered in BS 4504. The Facings shown are type B (Raised Face). Other Facings include: Type A..Flat: Type C..Tongue: Type D..Groove Type E..Spigot: :Type F..Recess: Type G..O-ring Recess: Type H.,0-ring Groove: |
Note : All Dimensions in mm
| DN | D | C1 | C2 | H1 | H2 | H3 | R | A | N1 | N2 | B1 | d1 | f1 |
| 10 | 90 | 14 | 16 | 22 | 35 | 6 | 3 | 17,2 | 28 | 30 | 18 | 40 | 2 |
| 15 | 95 | 14 | 16 | 22 | 38 | 6 | 3 | 21,3 | 32 | 35 | 22 | 45 | 2 |
| 20 | 105 | 16 | 18 | 26 | 40 | 6 | 4 | 26,9 | 40 | 45 | 27,5 | 58 | 2 |
| 25 | 115 | 16 | 18 | 28 | 40 | 6 | 4 | 33,7 | 46 | 52 | 34,5 | 68 | 2 |
| 32 | 140 | 18 | 18 | 30 | 42 | 6 | 5 | 42,4 | 56 | 60 | 43,5 | 78 | 2 |
| 40 | 150 | 18 | 18 | 32 | 45 | 7 | 5 | 48,3 | 64 | 70 | 49,5 | 88 | 3 |
| 50 | 165 | 20 | 20 | 34 | 48 | 8 | 5 | 60,3 | 74 | 84 | 61,5 | 102 | 3 |
| 65 | 185 | 22 | 22 | 38 | 52 | 10 | 6 | 76,1 | 92 | 104 | 77,5 | 122 | 3 |
| 80 | 200 | 24 | 24 | 40 | 58 | 12 | 6 | 88,9 | 110 | 118 | 90,5 | 138 | 3 |
| 100 | 235 | 26 | 24 | 44 | 65 | 12 | 6 | 114,3 | 134 | 145 | 116 | 162 | 3 |
| 125 | 270 | 28 | 26 | 48 | 68 | 12 | 6 | 139,7 | 162 | 170 | 141,5 | 188 | 3 |
| 150 | 300 | 30 | 28 | 52 | 75 | 12 | 8 | 168,3 | 190 | 200 | 170,5 | 218 | 3 |
| 200 | 375 | 36 | 34 | 52 | 88 | 16 | 8 | 219,1 | 244 | 260 | 221,5 | 285 | 3 |
| 250 | 450 | 42 | 38 | 60 | 105 | 18 | 10 | 273 | 306 | 312 | 276,5 | 345 | 3 |
| 300 | 515 | 48 | 42 | 67 | 115 | 18 | 10 | 323,9 | 362 | 380 | 327,5 | 410 | 4 |
| 350 | 580 | 54 | 46 | 72 | 125 | 20 | 10 | 355,6 | 408 | 424 | 359,5 | 465 | 4 |
| 400 | 660 | 60 | 50 | 78 | 135 | 20 | 10 | 406,4 | 462 | 478 | 411,0 | 535 | 4 |
| 450 | 685 | 66 | 50 | 84 | 135 | 20 | 12 | 457,0 | 500 | 522 | 462,0 | 560 | 4 |
| 500 | 755 | 72 | 52 | 90 | 140 | 20 | 12 | 508,0 | 562 | 576 | 513,5 | 615 | 4 |
| 600 | 890 | 84 | 60 | 100 | 150 | 20 | 12 | 610,0 | 666 | 686 | 616,5 | 735 | 5 |
| DN | D | C1 | C2 | H1 | H2 | H3 | R | A | N1 | N2 | B1 | d1 | f1 |
| K = Bolt Circle Diameter, L = Dia Of Bolt Hole, No = Number of Holes , Size = Size of Bolts |
| DN | K | L | No | Size |
| mm | mm | mm | - | mm |
| 10 | 60 | 14 | 4 | M12 |
| 15 | 65 | 14 | 4 | M12 |
| 20 | 75 | 14 | 4 | M12 |
| 25 | 85 | 14 | 4 | M12 |
| 32 | 100 | 18 | 4 | M16 |
| 40 | 110 | 18 | 4 | M16 |
| 50 | 125 | 18 | 4 | M16 |
| 65 | 145 | 18 | 8 | M16 |
| 80 | 160 | 18 | 8 | M16 |
| 100 | 190 | 22 | 8 | M20 |
| 125 | 220 | 26 | 8 | M24 |
| 150 | 250 | 26 | 8 | M24 |
| 200 | 320 | 30 | 12 | M27 |
| 250 | 385 | 33 | 12 | M30 |
| 300 | 450 | 33 | 16 | M30 |
| 350 | 510 | 36 | 16 | M33 |
| 400 | 585 | 39 | 16 | M36 |
| 450 | 610 | 39 | 20 | M36 |
| 500 | 670 | 42 | 20 | M39 |
| 600 | 795 | 48 | 20 | M45 |
Send Comments to Roy Beardmore
Last Updated 23/01/2013