Disclaimer: The information on this page has not been checked by an independent person. Use this information at your own risk.
ROYMECHX clone of ROYMECH

Click arrows to page adverts


Home
Geometrical Tolerances Page

Geometrical Tolerancing Examples

Examples of parallelism



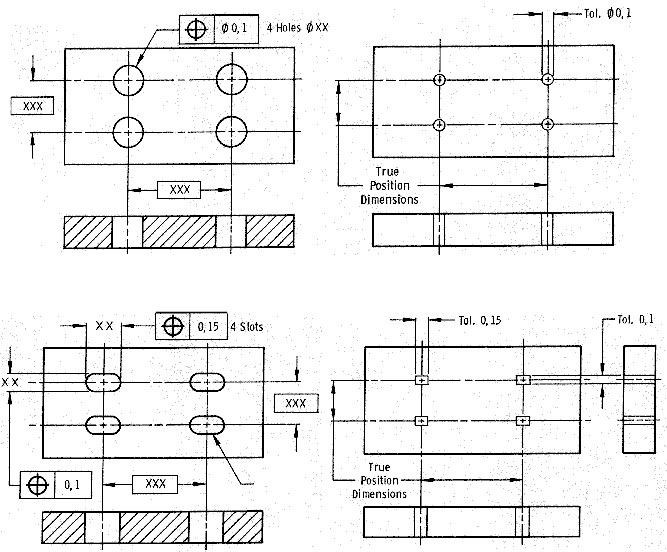
Examples of position



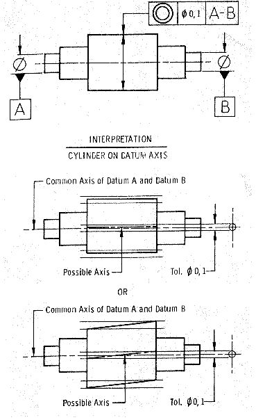
Examples of Concentricity









Examples of Cylindricity



Examples of Runout



Note: Runout is a composite tolerance including the effects of Cylindricity, and Concentricity.



Example of Total Runout



Note: Total runout is a composite tolerance including the effects of cylindricity, and concentricity, co-axiality, straightness and parallism along the axis.

This Page is being developed



Home
Geometrical Tolerances Page

Send Comments to Roy Beardmore

Last Updated 17/04/2010