Disclaimer: The information on this page has not been checked by an independent person.   Use this information at your own risk.
ROYMECHX clone of ROYMECH

Click arrows to page adverts


Home
Machine_Parts_Index

Power Screws

More details on Power Screw design are to be found in the links below the table

Power Screw Torque /Efficiency Equations....... Power Screw Strength Equations

Introduction

Power Screws are used for providing linear motion in a smooth uniform manner. They are linear actuators that transform rotary motion into linear motion.   Power screws are are generally based on Acme , Square, and Buttress threads.   Ball screws are a type of power screw.  Efficiencies of between 30% and 70% are obtained with conventional power screws.   Ball screws have efficiencies of above 90%.
Power Screws are used for the following three reasons

  • To obtain high mechanical advantage in order to move large loads with minimum effort. e.g Screw Jack.
  • To generate large forces e.g A compactor press.
  • To obtain precise axial movements e.g. A machine tool lead screw.

And excel based calculator for power screws is available with subscription from ExcelCalcs.com calculation Power Screw.xls Calculations for power screws



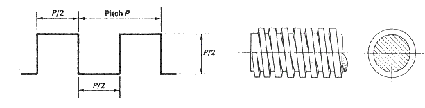
Square Form

This form is used for power/force transmission i.e. linear jacks, clamps.  The friction is low and there is no radial forces imposed on the mating nuts.  The square thread is the most efficient conventional power screw form.   It is the most difficult form to machine.   It is not very compatible for using split nuts-as used on certain machine tool system for withdrawing the tool carriers




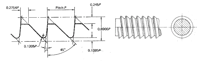
Acme Form

Used for power transmission i.e. lathe lead screws.  Is easier to manufacture compared to a square thread.  It has superior root strength characteristics compared to a square thread.  The acme screw thread has been developed for machine tool drives.  They are easy to machine and can be used with split nuts.  The thread has an optimum efficiency of about 70% for helix angles between 25o and 65o. Outside this range the efficiency falls away.




Buttress Form

A strong low friction thread.  However it is designed only to take large loads in on direction.  For a given size this is the strongest of the thread forms. When taking heavy loads on the near vertical thread face this thread is almost as efficient as a square thread form.




Recirculating Ball Screw

This type of power screw is used for high speed high efficiency duties.   The ball screw is used for more and more applications previously completed by the conventional power screws.

The ball screw assembly is as shown below and includes a circular shaped groove cut in a helix on the shaft.   The ball nut also includes an internal circular shaped groove which matches the shaft groove.   The nut is retained in position on the shaft by balls moving within the groove.  When the nut rotates relative to the shaft the balls move in one direction along the groove supporting any axial load.   When the balls reach one end of the nut they are directed back to the other end via ball guides.   The balls are therefore being continuously recirculated.

The recirculated ball screw has the following advantages and disadvantages to the conventional threaded power screws: Advantages

  • High Efficiency - Over 90%
  • Predictable life expectancy -
  • Precise and repeatable movement
  • No tendency for slip-stick
  • Minimum thermal effects
  • Easily preloaded to eliminate backlash-with minimum friction penalty
  • Smoother movement over full travel range
  • Smaller size for same load

Disadvantages
  • Requires higher levels of lubrication
  • Tend to overhaul- Needs additional brakes if locking is required
  • Susceptible to contamination
  • For the same capacity ball screws are not as rigid as conventional power screw
Roller Screw

A recent high specification power screw option is the roller screw.  For this unit the nut includes a number of special threaded rollers arranged around arround the central screw.   The rollers each take a part of the load.  This system is efficient and can withstand high loads.  



Links to Power Screw Design
  1. OnDrives ...Supplier Of All Drive Components
  2. PIC Design ...On line Catalogue
  3. Powerjacks ...Screwjacks and associated components
  4. SKF Linear Motion ...Large Quantity of catologue & Design information
  5. Power Screws and Ball Screws ...Downloadable Presentation - Very clear Information
  6. Tribology -ABC ...Power Screw Calculator

This Page is being developed

Home
Machine_Parts_Index

Send Comments to Roy Beardmore

Last Updated 23/01/2013